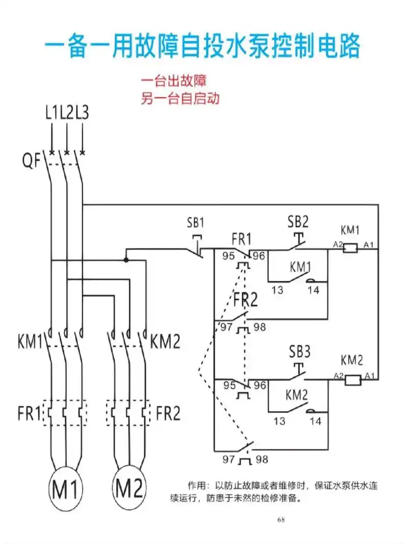
一用一备水泵控制线路接线图!

相关图片

替污泵排水一备一用,自动轮换

展开全部 给你这个电路图,你把速度继电器装在水泵轴上,只要电机换蝌

水泵自动控制电路图

白云排污泵电气控制原理图

循环水泵一用一备控制图

随机推荐

熊猫头表情包你有什么可豪横的

当前位置:>易车>社区>理想one社区>2020款理想one增程6座版【上牌时间

范冰冰广告写真露出美背!雪肤玉貌魔鬼身材性感撩人

山河令温客行的扇子同款古风双面白色中国风题字古装木质流苏折扇

浓情一生の小提琴_人像_poco摄影,野外,琴,声,唯美,响起

火车转弯情况受力分析拱桥竖直平面内做圆周运动详细信息

伊能静晒与秦昊合照,穿校服扮美,却被吐槽滤镜开到失真

德云社·周九良 啾啾良