裤子怎么画-图7

相关图片

裤子和漫画裤子的不同画法你学废了吗

裤子怎么画

60例裤子平面款式图分享

绘画教程裤子褶皱怎么画教你不同材质裤子的画法教程

正装裤子绘制参考

随机推荐

超甜情侣头像

奔跑吧4蔡徐坤哎呦我去我的天搞怪逗gif动图_动态图_表情包下载_soo

孙俪素颜上综艺称不当全职妈妈,从不看邓超手机,澄清:我没甲亢_老公

王俊凯

我太厉害了截图哈哈哈#张翰徐璐 - 抖音

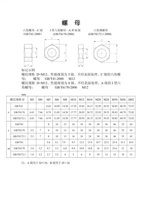
螺栓螺母规格表pdf

男士发型推荐5cm立体摩根烫男生短发男生烫

叶一茜:未进超女三强,却被田亮独宠15年,今儿女双全成人生赢家_女孩