电动车 充电器电路图

相关图片

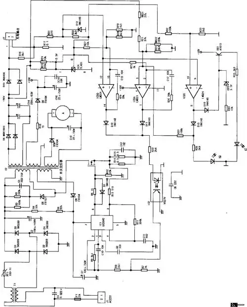
电动车充电器电路图全集

电动车充电器电路原理图

60v充电器电路图

电动自行车充电器电路原理分析

五款电动车充电器电路图讲解

随机推荐

再一次被王俊凯的睫毛震惊到了!他真的不是传说中.

但是,对于跑男来说,获得成功需要一些特殊技能和能力.

黎明一家罕见亮相,小19岁娇妻打扮休闲,57岁黎明帅气不减当年

保护眼睛的桌面壁纸(保护眼睛的屏幕壁纸图片)

好看吉祥的微信头像漂亮的荷花最适合妈妈们使用了

【明星名媛】孙露 - 天南地北 - 天南海北

电竞级鼠标垫-工作细胞b款(综) 工作细胞 木棉花动漫周边

最帅气小男孩发型来了,一共有三种,雕刻发型小寸头和烫发