青春有你2初评级a评级超高产孔雪儿对决安崎许佳琪

相关图片

青春有你2第二轮公演热力上演河内第二的段艺璇能否突破重围

重温青春有你2这该死的迷人的陆柯燃

青春有你2开启白衬衫比美大赛许佳琪戴萌攻气十足

原创青春有你2选手芭莎合照虞书欣站c位大家却都在关注刘雨昕

重温青春有你2人美歌甜徐紫茵

随机推荐

鞠婧祎 花戎剧照,杀青快乐~ - 抖音

中式花纹边框素材

当《梦华录》主演们用上同一特效,刘亦菲毫无违和感,陈晓被玩坏

桃花一簇开无主,可爱深红爱浅红? #高清壁纸 - 抖音

暴漫gif文字表情包gif爆炸分析gif搞笑gif逗gif沙雕gif

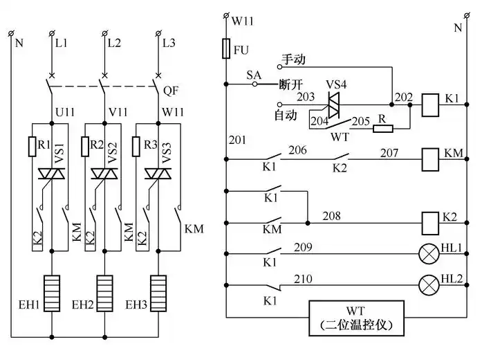
28例电气自动控制电路图,都是干货,快收藏吧!

唯美逆光沙滩脚印图片

傲坦 奥美沙坦酯片 20mg*7片/盒 奥美沙坦降压片 适用于高血压的治疗