电动机综合保护器运行时显示断相,二次启动刚闭合就断开了,实测三相并

相关图片

快讯 保护器应用控制很简单, 三相电源线穿过保护器接电动接线

新款厂家直销三相综合电动机保护器jd5380v断相过载保护

一个xj3-g断相保护器和一个cjx2-18交流接触器接如何线,因对电路不太

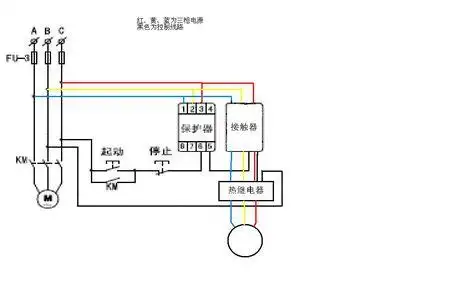
rd6-e断相与错相保护器接线图

相序保护器接线不需要其他配件,上端三个接线点接三相电源的火线.

随机推荐

tfboys十年之约 #神级现场 #tfboys十周年澄海 - 抖音

大考胡先煦同款眼镜框复古黑色圆框学生近视眼睛镜架女潮可配度数 透

分享高清版海边海湾背景壁纸|高清版|壁纸|海湾_新浪新闻

吴莫愁

最美女儿国国王朱琳

png禅意手持莲花手势素材pngpng佛教手势 观音手 佛手 荷.

最近发现小腿上出现了一些红斑,不痛也不痒,这是不是冻的啊?

男士工作形象照 我们为每个职业打造属于自己的形象照