冰菓°.

相关图片

冰菓壁纸背景图crsakuraii

动漫头像冰菓_手机壁纸_电脑壁纸_桌面壁纸【图客网】

冰菓

冰菓##授权转载

冰菓同人图

随机推荐

画100只猫35可爱精

文字经典歌词周杰伦简单爱文字控壁纸

徐璐又一新剧官宣定档,搭档校园剧阳光男神,收视必定会爆棚|张翰_网易

中国"东风"3中程弹道导弹发射瞬间

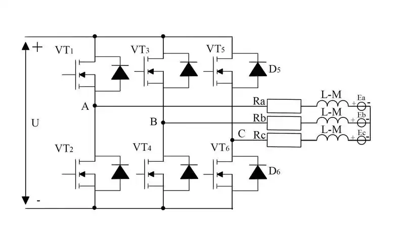
无刷电机控制器原理图,无刷电机控制电路-图片大观-奇异网

穿牛仔裤的安吉鲁

涨姿势 | 石头砌出来的酒窖

《门第》剧照新浪娱乐讯 正在北京影视频道热播的电视剧《门第》自