00:12 随性随意最美白浅#刘亦菲 #盛世美颜

相关图片

白浅之爱:刘亦菲诠释的动人神话

刘亦菲 白浅 2017电影《三生三世十里桃花》

活动作品风花雪月刘亦菲古装混剪白浅王语嫣小龙女赵灵儿

假设前提是杨幂白浅领先,你们认为刘亦菲可以超越杨幂扮演的白浅吗?

刘亦菲 白浅 2017电影《三生三世十里桃花》

随机推荐

素描练习 易烊千玺

古风美男壁纸,君子如玉,陌上无双

除了小海豚,林心如竟还有一个18岁的女儿?网友:霍建华不知道?

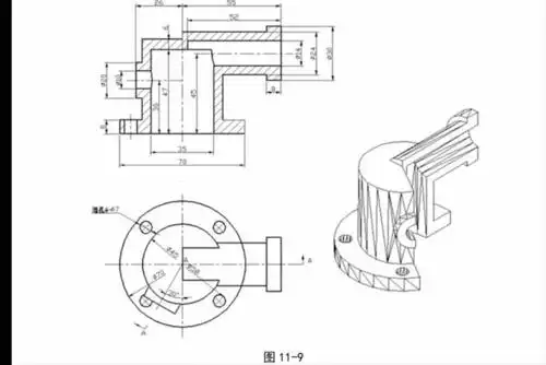
autocad绘图练习题(5)

全面屏壁纸高清抖音文字锁屏壁纸

朱砂痣

好尴尬女性乳头发痒是怎么回事doc

离心风机工作原理及常见故障ppt