孙俪小时候的老照片,傻傻的还挺可爱的!

相关图片

孙俪年轻时好美啊75怪不得那么多男明星追 看到几张孙俪的旧照,这才

太吃年轻孙俪的颜了.

早期的孙俪好美呀充满灵气的双马尾女孩

孙俪:年轻时好美,清纯可人

早期的孙俪好美呀充满灵气的双马尾女孩

随机推荐

杨幂绿苑十六周年生日快乐

《一帘幽梦》36:楚濂认错接绿萍回家,复仇计划拉开序幕!

沙溢儿子安吉一年学费25万寒窑再难出贵子

千纸鹤的爱心传递

烤肠饭团制作-美食视频-搜狐视频

唐朝诡事录 #我的秘密室友 #杨旭文

金点原子球锁图片_金点原子球锁大全/细节图 - 搜好货网海量高清精选

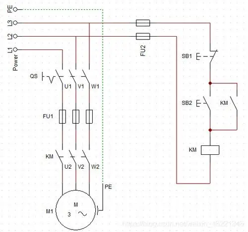
图1 电机自锁控制电路图