求kt88并联推挽的电路图麻烦j版和各位dx了

相关图片

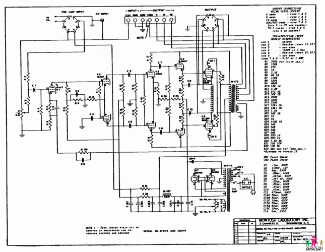
发个麦景图 mc 275 电路图

现代胆机尤其是国内产品,决不会使用这么复杂的电路,"简洁至上"没错

胆机电路图大全

69 胆机diy论坛 69 请问有成功仿制麦景图 mc275 的例子吗 [size

胆机开关电源电路

随机推荐

王源文字壁纸

那些 巴洛克 洛可可 中世纪 宫廷风 收集不易 来自各大网站

【童话/花童/双花】华晨宇&关晓彤王牌少年加载中第一期cut_哔哩哔哩

马嘉祺恋爱日记做梦素材

男生动漫帅气头像冷酷高冷超好看的男生动漫微信头像图片

qq飞车手游相册三宫图专注你喜欢的三宫图

原创30年前选择上环,当年"第一批"女性过得如何?现状让人唏嘘

两人都是第三者angelababy杨颖与陈伟霆同居四年后分手