电气工程图例符号大全

相关图片

常用电气图形符号表

电气设计图纸中各字母符号的含义

常用电气图图形符号和文字符号.

电气图形符号大全

常用电气图形符号电气常用符号新旧对照表电气符号大全解决方案华强

随机推荐

奇迹暖暖高清壁纸(二):q版暖暖可爱表情包图片

一款彩色鲜花折纸方法的圣诞花的折纸方法 - 制作系手工网

数学实践活动——绘制自家户型平面图

夏季校服小学生儿童短袖裤子蓝色套装幼儿园学院校服

169cm生日:1984年6月8日籍贯:桂林性别:女姓名:张俪张俪 - 个人资料限

抖音歌曲纵马穿过茫茫的大漠

青年男高音歌手黄训国

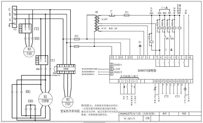
螺杆空压机维修配件mam6070触摸屏一体式控制器