星角换接起动控制电路ppt

相关图片

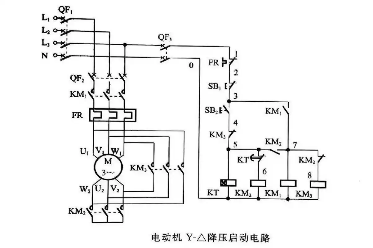
y-△降压启动控制电路分析 y-△降压启动是异步电动机的一种降压启动

试设计一个控制一台电动机的电路,要求:1.可正.反转;2.正.反向点动;3.

还是想和朋友们分享一些干货,是关于电力电气行业 自动控制电路图的

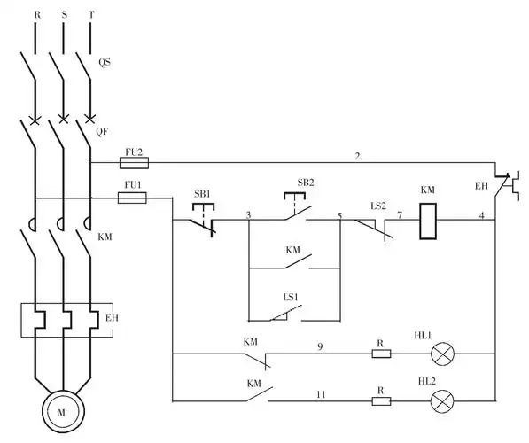
一处启动与两处停止的电动机控制电路

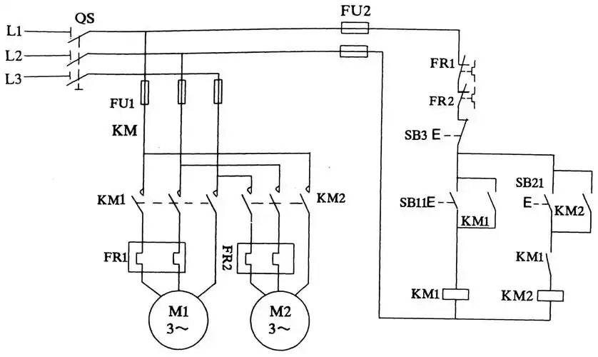
2三相异步电动机单向起动控制线路

随机推荐

还原呀@吞噬星空动画官微罗峰 | 壁纸现在动画还没有还原真实罗峰战力

27231993 148189 07223335 681663 63

张雅晴个人资料:马琳张雅晴婚纱照曝光 小三张雅晴转正

菜单设计|湖北未来广告.设计的认用了心思,生产的人用了手艺 - 抖音

孙艺珍 - 堆糖,美图壁纸兴趣社区

黄景瑜 #颜值 #痞帅 #高级感 #帅哥 #眼神杀 #拍照 - 抖音

曹当家黄山烧饼安徽特产正宗梅干菜扣肉酥饼,现烤香脆,以其金黄酥脆的

羚锐制药