gb6170热镀锌六角螺母8级热浸锌扩孔螺母m8m10m12m16m20m22m24m30

相关图片

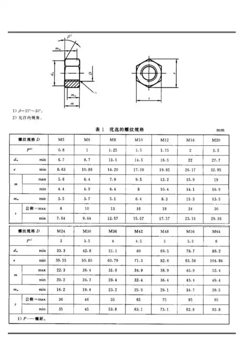
国标螺母尺寸规格表

q 801 卡套式管接头用螺母 bite type tube fittings--nuts

螺母 螺母 显示为单只的价格 m20 m16 m14 m12 m10 m8 m6 m5 m4 m3

m12法兰面螺母

m8m10m12m14m16m18m20m22m24m27m30m36高强度12.9级六角细牙螺母螺母

随机推荐

宋茜黑裙亮相不慎尴尬崴脚 - 大山娱乐八卦

迪丽热巴 - 堆糖,美图壁纸兴趣社区

关晓彤 红色长裙高跟鞋 好美

女生头像 壁纸 欧美

胡歌:真实生活与妻子甜蜜浪漫,荧幕下的接地气!_家庭_黄曦宁_责任心

dota里的蝴蝶原来还隐藏了这样的秘密

精美图集|郁可唯,知性优雅的女歌手

蓝绿色系卡通女生头像合集(有哪些干净纯净的卡通女生头像)|红警乐园