沈鹏行草书法欣赏白居易长恨歌3

相关图片

原创书法作品 #作品欣赏 草书作品:道源《早梅》,徐元杰《 - 抖音

王铎草书欣赏《秋兴八首》册页_草书字帖_书法欣赏

今日书法展赏析:白居易(大林寺桃花)草书字帖

【王铎】草书欣赏《杜甫晚出左掖等五律诗卷》(7)_名家作品_爱好书法

人文艺术 书法艺术

随机推荐

唯美可爱的动漫人物

微博,qq 等平台相继推出狗头,二哈表情包,成功在国内带火狗头表情包

周深单押式剧透央视秋晚##周深连续四年加盟央视秋晚##央视中秋晚

肖战##肖战陌森眼镜品牌代言人

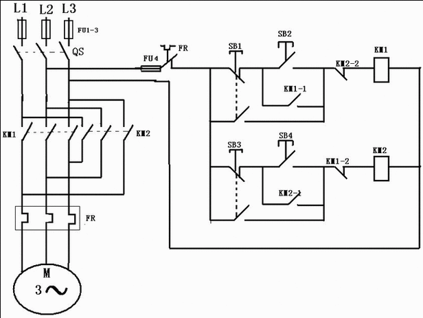
三相电动机点动与长动的正反转控制电路

干皮新大陆757575小仙女进,你必须了解的.

【mymo春季音乐课结业】美吉姆音乐课-给宝贝一双音乐的翅膀

世界最强小学生身高181米双拳均有6吨之力他叫胖虎