麦景图c22电子管前级放大器电原理图.jpg

相关图片

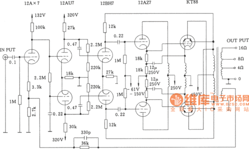
麦景图mc-275电子管功放电路图

麦景图c22功率放大器电路图

mcintosh麦景图mc175胆功放电路图

请教个晶体管功放自耦输出变压器的问题

麦景图c20_sch[1]

随机推荐

杨洋个人资料简介身高 杨洋个人资料简介 第2张

张信哲宽容划痕多以完整试听播放流畅品详图

分享收藏维吾尔族女孩肖像油画彩铅画~画的我的女友katysha色粉画

新神雕侠侣剧照电视剧_看完新版《神雕侠侣》海报,瞬间感觉新版《倚天

肆舞区街舞第一届人气王评选-微信投票制作-51微投票

来一组专业露肩半身照证件照模板要的自取哈

人间情多,真爱难说,夕阳西下的爱情.#拥抱落日后的背影 #一 - 抖音

绘画参考##五官参考