xjk-ly型 螺杆式空压机智能控制器

相关图片

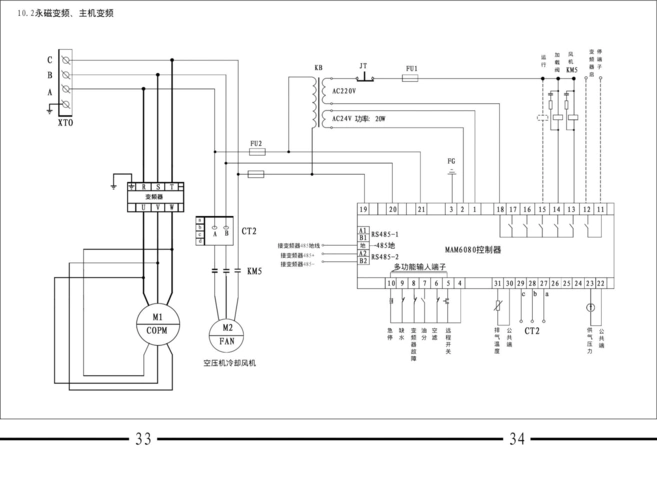
华达永磁变频螺杆式空压机【操作说明书】第6,7章,电气接线图

螺杆式空压机控制原理及电路图

螺杆式空压机精密过滤器后处理降温过滤除水除油除杂质厂家直销

螺杆空压机 #压缩机 #螺杆机 15kw二手工频机 280 - 抖音

浙江开山防爆系列37千瓦螺杆空压机mlgf67-37g

随机推荐

吕中:嫁同学恩爱一生,今儿子儿媳是她的骄傲,女儿是国人的骄傲

500_780竖版 竖屏gif 动态图 动图

曹颖:从职高毕业到央视名嘴,再到当红演员,经历堪称不可思议

21张万恶旧社会的老照片带你看清当时底层百姓生活的真实写照

好人多(简谱)

今日份壁纸(二次元-手机)

怀旧民国老手工补丁落色上衣

汪汪队立大功咕咕鸡的金像从高空落下幸好小力及时赶到抓住他