梦幻蝴蝶

相关图片

蝴蝶梦幻图片大全_蝴蝶梦幻图片素材【png免费下载】-90设计网

梦幻蝴蝶唯美高清桌面壁纸

梦幻蝴蝶翅膀素材-梦幻蝴蝶翅膀元素图片下载-觅知网

梦幻彩色蝴蝶图案免抠素材免费下载_觅元素51yuansu.com

炫丽 梦幻璀璨手绘蝴蝶矢量背景

随机推荐

冷艳少年易烊千玺帅照来袭快来收下这份心动

20/7年9月30号新舞四步造型

抖音热门头像

帅气的古风男生头像

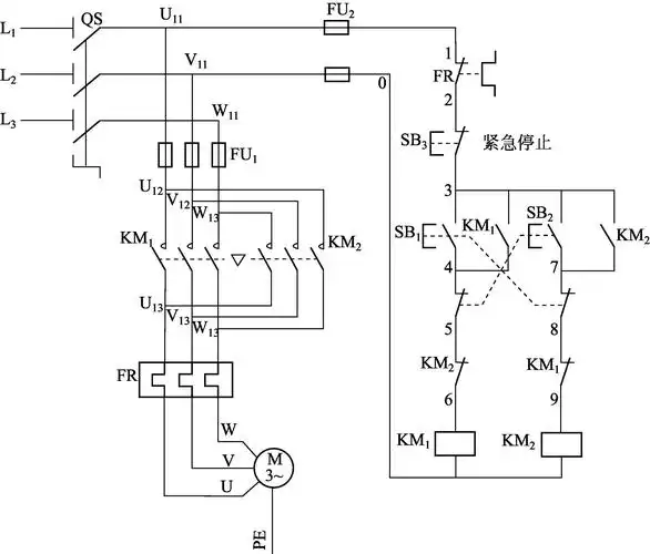
三相电机正反转控制电路图

培养一个不磨蹭的孩子要学会用这4个法则

幸福一家四口头像个性全家福设计喜欢吗

晚上和运行客场机智蒙面的强盗或防盗抢的房子 照片