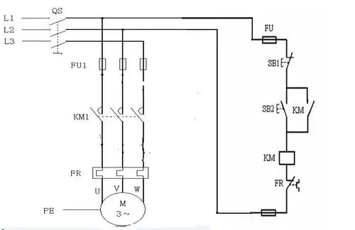
接触器自锁接线怎么接,不懂接触器原理的电工赶快进来,准能学会

相关图片

接触器的自锁是怎么回事?一起来看看吧!

一起学电工三相电机自锁电路接线图电压36v380v接触器

自锁电路中,就接触器a1(图圈起来部分)那根线接的是什么,求大神告知

电工知识:接触器自锁的原理,用通俗话给你讲,电工一看就会

接触器自锁问题

随机推荐

肖战黑色西装花絮图

宇智波鼬头像写轮眼

吴奇隆52岁生日分享视频 展示腾空一字马 _ 游民星空 gamersky.com

雨滴桌面动漫人物中国风景电脑主题皮肤背景美化win7,10动态壁纸

木棉花果与木棉袈裟

29 09:31:12 1 / 4 新浪娱乐讯 29日,韩国组合sistar成员宝拉和多顺为

谢谢你们选择我做你们的妈妈93.是相差4岁的姐姐和妹妹,是手 - 抖音

事实证明消失三年的吴莫愁早已经走上了一条不归路