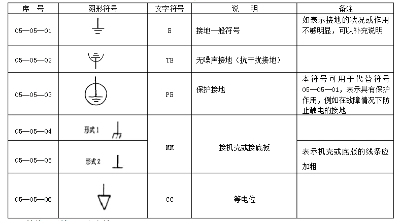
全部接地符号图

相关图片

接地符号

请问这几种接地符号什么区别

挂接地线是一项很重要的安全保护措施,其操作过程应该

保护 i>地 /i>球( i>接 /i> i>地 /i>)符号符号,矢量图解,白色背景

国川小心接地警示标识注意接地线标签贴机械仪器定做不干胶贴纸

随机推荐

猫耳少女4k动漫壁纸壁纸

易烊千玺改变了风格,一改往期头型,狗啃刘海,这个造型完美么

牧山车扳手马槽钩半挂高栏大货车厢板勾重汽货车箱勾集装箱锁具配件16

冷淡风ins暗色系锁屏壁纸 超气质的壁纸心情愉悦

仪式主纱系列值得晒一辈子的婚纱照

大闹天宫的孙悟空并没有胜利为何被压五百年名气还是这么大

凯源cp是不是糊了

延禧攻略这两人带着复仇的目的进宫最后都成为众妃之首