电动车充电器电源原理图与解析苍松借鉴

相关图片

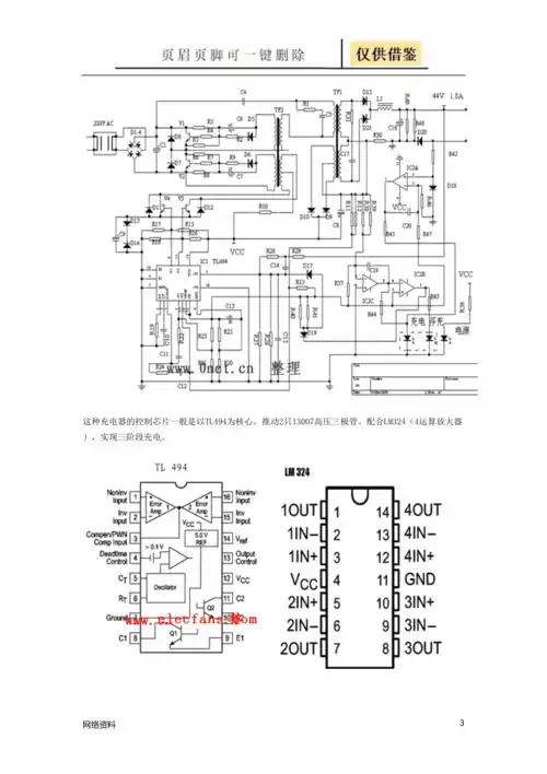
电动车充电器电路图

收集电动车充电器电路图30张,以备不时之需

雅迪sp500-72v电动车充电器

收集电动车充电器电路图30张,以备不时之需

电动车充电器电路图

随机推荐

贾玲版白浅与小沈阳版夜华深情对视 逗到没脾气

首页 桌面壁纸 摩丝摩丝粉色系可爱卡通高清图片壁纸上一张下一张查看

不同年龄阶段人群分析 作品分类:设计 创作年代:1 作品尺寸:240x600cm

同看演唱会之后林更新和绯闻女友再度合体现身粉丝反应亮了

23岁关晓彤演28个孩子的妈终究还是剧本错付了

东区货拉拉面包车租赁

关于我转生后成为史莱姆的那件事:素颜的朱菜好美,学生气息扑面而来!

恒大丽宫二期8000个w