我想在48v铅酸电瓶的电动车上再加装一个48v锂电池,用一个转换开关

相关图片

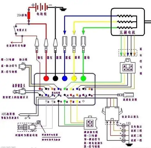
48v电动车控制器接线图电源锁控制器细供红线接电源,锁黄线接在什么土

想另外加装一块电瓶 请问怎么接线呢

电动车电瓶电池48v20ah电池盒装两个电池分体式电池连接的电路图

并联与串联的接线方式

我的电动车型号是lev250-mn,把电瓶拆下来充电时,将充电器直接连接

随机推荐

门徒:刘德华饰演大毒枭,亲自到工厂做货

双星八特运动鞋男式md大底轻便透气休闲鞋防滑潮款跑步鞋男鞋2050

陈伟霆明星同款皮夹克外套短款秋冬欧美时尚休闲百搭潮男修身皮衣

qq头像男生黑白高冷有时会被失望绊倒不要太骄傲

可可爱爱新年头像好运2021适合大年三十的发圈文案

为音乐而生的仙子张也,为何54岁还不结婚?

斗罗又登场一位紫发美女,身材曼妙不输朱竹清,是唐三的"情敌"

发量多的女生们最瘦脸的发型来了