三相正反转电动机停上,点动,连动,控制变压器,溶断器连接.

相关图片

交流接触器电机正反转接线实物照片

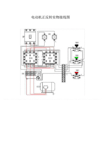
电动机正反转实物接线图.pdf

点动式电动机正反转怎么接元器件有dz15le40a/490

三相电机用.220v接触器,热继两地控制实物接线图

电机双重联锁正反转能耗制动控制电路 自已动手装电动机正反转实物图

随机推荐

小学生画的画适合小学一年级学生画的画

可爱版 任嘉伦

火影忍者1080p超高清壁纸

少儿美术京剧戏曲人物花旦黑白线描装饰画国风线条画a4临摹卡片

动漫,动漫男生,帅气,酷帅动漫男生壁纸

巨星不易头像

小鬼"后的笑,见面拿牛奶冰脸逗她,画画给他狐狸塑,还有绝妙身高差所

一男一女手绘动漫情头图片高清 精选优质好看的微信手绘情头_情侣头像