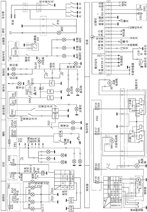
电动车控制器接线原理图

相关图片

电动车控制器接线图#技术分享 #知识点总结 #电子技术 # - 抖音

电动车控制器接线图详解

电动车控制器接线图解读

雅迪电动车控制器的接线图大全

电动车原理图

随机推荐

exo特别专辑发行倒计时七天,收录曲《paradise》展现破格魅力!

2020女生最爱的中国男明星排行榜黄晓明上榜网友你终于不油

腾讯qq精美壁纸2013年第七季 (宽屏 普屏)壁纸图片

简约现代沙发边几轻奢岩板角几小户型茶几边桌床边柜创意休闲圆桌

至死不承认贩毒 据湘潭在线3月19日消息,3月12日,遵照最高人民法院

智能型万能式断路器-ckw55系列说明书

迎国庆,星期八儿童乐园送大礼啦

音频动效练习