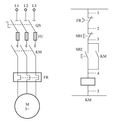
单向运行电气控制线路

相关图片

28例电气自动控制电路图都是干货快收藏吧

机床电气控制线路故障实例分析

54种电动机电气控制电路接线图

电气控制电路

电气控制接线图,电子元件工作原理图,还有可控硅整流电路及负反馈调速

随机推荐

兰波,小李子,心之全蚀

阳光可爱女生头像图片

个人能力图标

李宁标志logo

12.29新品 七格格 七格格2017春装新款 打底裤 女-26-黑色

空压机填料函正确的安装方法

清爽意境唯美大海的风景图片

美食每刻的吃货做的爆炒腰花