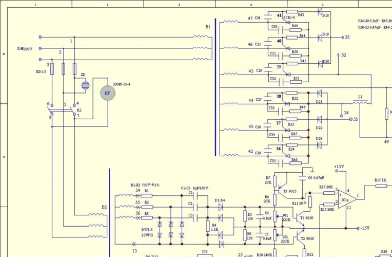
焊机电原理图讲解

相关图片

松下气保焊机与机头连接电路图

igbt逆变直流弧焊机检修纪实奥太逆变式二氧化碳气体保护焊机/二保焊

电焊机电路图

蓄电池电焊机电路图

等离子焊机原理图 (第1页)

随机推荐

想知道大家因为什么喜欢上李现的

被有钱公子苦恋多年,嫁豪门成阔太还被老公宠_吕一_钱泳辰_演_丈夫

鱼骨辫编发教程来了,非常简单,这款发型特别显气质!

《进击的巨人》有哪些值得珍藏的壁纸呢? - 知乎

0354百鸟朝凤图立轴绢本

空气压缩机除垢清洁剂,原来空压机要这样清洗!

梅西率领阿根廷夺美洲杯冠军

甘肃特产油锅盔平凉美食大饼地方特色小吃零食苦豆白饼子酥馍烧饼