行走匆匆的路人免抠素材免费下载_觅元素51yuansu.com

相关图片

菲律宾的形形色色过路人

昆卡街头的路人

路人标志logo图片_路人素材_路人logo免费下载 - logo设计网

街拍路人2

行人路人成群透视素材

随机推荐

宋代官窑瓷器美到妙不可言

angelababy亲笔签名照赠果果

韩国女星李知恩参加粉丝见面会,具有治愈的迷人笑容,洋溢青春气息

卡通手

陪着你在海边

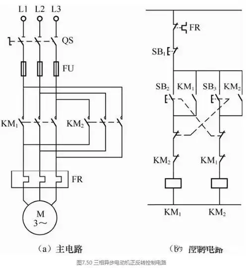
三相异步电动机正反转控制电路图-电子发烧友网

奋进正当时青春勇担当ppt迎五四主题团日活动ppt模版.pptx

唐人街探案##尚语贤kiko紫色双马尾