最后一位自然就是林彦俊了,不管小时候的他长得怎么样,如今他的颜是

相关图片

十点欢迎大家来听新歌林彦俊等待整个冬天 小时候也太可爱了吧 好可爱

十点欢迎大家来听新歌林彦俊等待整个冬天 小时候也太可爱了吧 好可爱

justin是九个人里面年龄最小的,他在网上发文写道:"别的小朋友都去过

林彦俊我的微笑密码

蔡徐坤 陈立农 范丞丞 黄明昊 林彦俊 朱正廷 王子异 小鬼 尤长靖

随机推荐

适用苹果充电器iphone手机6-14快充pd充电头20w快充数据线套装批

一组科比入场的穿搭!既帅又霸气!今天壁纸分享,入场老大!每天 - 抖音

男士标准身高体重对照表

关晓彤差点摔倒,对宋亚轩的下意识称呼引全场起哄:你还没结婚呢

图片来源:网络水是生命之源,多喝水的道理其实大家都懂,尤其秋季到了

锦绣江南小区.不畏将来,不念过往.世界上没有一份工作不辛苦, - 抖音

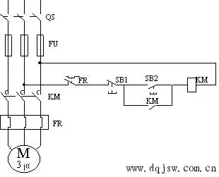
单向运行电气控制线路

王姬越老越有韵味,穿蕾丝裙身材饱满,与女儿同框像姐妹!