智能电饭煲电路原理图及故障检修方法

相关图片

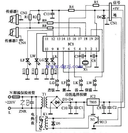
电饭煲电路图及其原理讲解

为什么电饭煲一接通电源,没按煮饭是保温状态呢,按照电路图上的话

电饭煲电路原理图

求一个普通家用电饭煲电路图

我是多年修家电的,这个电饭锅电路图我真的没看懂

随机推荐

黄渤:世间再无黄渤|管虎|小欧|林志玲|陈乔恩|电影导演_网易订阅

迪丽热巴罕见肉丝高跟

迪丽热巴水晶缀饰礼服# 迪丽热巴礼服裙造型,魅力四射,真的太漂亮啦

章子怡:如果当年我签了那份协议,就不会嫁给三婚的汪峰

201220 腾讯星光大赏 肖战 工作室 - 堆糖,美图壁纸兴趣社区

海产店品牌形象logo商标设计.美味海鲜鲜活呈现!一组海鲜元 - 抖音

罗茨风机多少钱

卡通蜜蜂/手绘昆虫小蜜蜂/昆虫蜜蜂/蜜蜂采蜜/蜂巢png免抠素材