电机三角形和星形接法的相关知识

相关图片

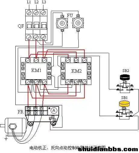
三相异步电机正反转接线法

三相电机接法实物图电机内部三相定子绕组的首或

三相电动机三角形接法与星形接法的区别

3,电动机星型和三角两种接线方法图解2,三相电中星形的接法是什么?

三相电机接法实物图电机内部三相定子绕组的首或

随机推荐

王俊凯文字集壁纸

原创看了洪欣年轻时的照片总算知道为什么有人说张丹峰配不上她了

锁屏搭主屏幕软萌系列手机壁纸

何穗出镜sui x eifini 2017秋冬系列广告大片

诗妮娜贵妃30岁生日时收到巨款,神秘人士传递消息:小心整容陷阱

黑白,黑暗,晚上,人,独奏,女人

魔兽世界联盟logo

央视女主持王冠:5年后再度回归,离开时曾被指因为曹可凡?