配电箱电路图 - 完整版本

相关图片

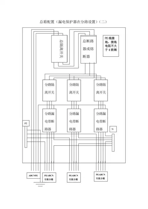
总电箱配置电路图

配电箱示意图需要的私聊#热门 #配电箱电路图 #示意图 #电 - 抖音

配电箱系统图.png

各级配电箱接线系统图

各种配电箱接线系统图

随机推荐

沙溢_演员_作品_个人资料_简历_生日_经历_留言 - 酷乐米

壁纸2021最新潮流独一无二高清全面屏手机壁纸

高清壁纸动漫哆啦a梦

2021年霸气动漫情侣头像 动漫头像图片大全 -【爱个性】

朴信惠靓丽写真甜美笑容尽展感性魅力34

偶像梦幻祭杏

林彦俊 elle风尚大典-堆糖,美好生活研究所

假发女短发短卷发时尚经典纹理卷全头套中老年妈妈逼真自然发套