电瓶车充电器电路.jpg

相关图片

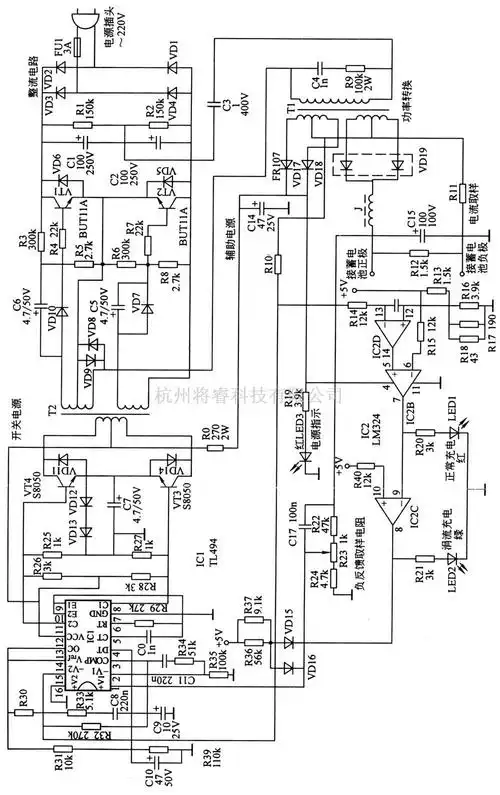
电动车充电器电路图全集

(共3页,当前第1页) 你可能喜欢 万能充电器原理图 无线充电器电路图

看懂电路图 uc3843开关电源 控制器说明书 铅酸蓄电池充电器 电动车

收集电动车充电器电路图30张,以备不时之需

电动车充电器电路原理图

随机推荐

我的体育老师

古力娜扎新剧惹争议,频频挤眉弄眼遭吐槽

杨颖小香风短裙造型#娱乐大赏# #一眼沦陷# #惊艳瞬间

二次元 #动漫少女 #动漫壁纸 #漫优优 #原神 - 抖音

香水百合西伯利亚

49m上传时间:2020-06-16壁纸标签:英雄联盟游戏壁纸封面图英雄联盟

千里江山|插画|创作习作|tixie - 原创作品 - 站酷 (zcool)

蔡司视特耐镜片1.67防蓝光超薄配变色近视眼镜1.61正品防伪官方