好兄弟 哥们 朋友合照 男生帅气头像 #每日壁纸 男生 - 抖音

相关图片

"如果平行时空"#合照 #大学生活 #185 #友情 #男生 - 抖音

男生小合影

2016级北影表演系男生的合照来了说好的帅哥呢

来看hero与韩商言的合照男明星2

男生如何拍出好看又帅气的合照?

随机推荐

美发店常用技术之九款基本型剪裁图文教程剖析你都会了吗

52岁朱茵现状:住深山残屋,开97年破车,活成了娱乐圈的"笑话"

偶练小哥哥腹肌battle蔡徐坤justin超撩他的八块腹肌犯规了

超少年密码:常安变成了蓝眼睛,002贴心送来美瞳,让他戴上

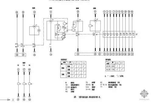
tzn系列真空断路器接线原理图

justin崽崽

92 沙雕基友二人组漫画头像 96 哈哈,来看看这组超级沙雕的基友

刘郡格旦增大壮领衔中国好声音冠军大概率从他们五位中产生