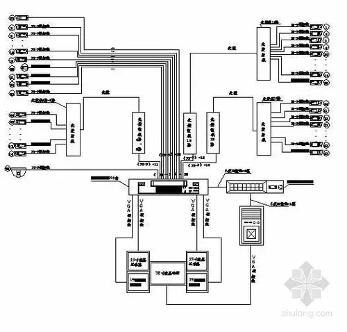
[施工图]南京某住宅小区监控弱电图纸

相关图片

某住宅小区监控平面图

某安置小区监控系统

南京某住宅小区监控弱电图纸-图1

这些图纸是我自己总结的监控系统设计图集,可以直接套用很方便使用2分

小区监控系统cad图纸下载

随机推荐

手绘空投包装箱插画

男生超帅束状纹理烫 男孩子一定要尝试发型 这个真的帅爆了93

angelababy早期颜值好美#angelababy | 嫩模时期甜美混血感的baby

时光倒置半世纪前的东京奥运会

二(5)班英语单词设计优秀作品展示

嘻哈音乐 xxxtentacion - somebodies side feat. mishaal

金伯士拉钉枪分解图和操作方法#生活不会辜负每一个努力的人 - 抖音

3839363635 98出镜:@于震2dp于震2dp超话#拍出夏日限定