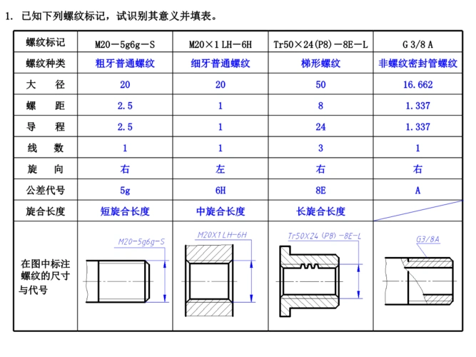
螺纹的规定画法标注实例

相关图片

中所示m20粗牙普通外螺纹的错处圈出,将正确的画在下面(包括尺寸标注)

1-95 外螺纹的规定画法 牙底(小径)细实线 倒角圆不画 倒角45°

除管螺纹外,在视图上螺纹标记的标注同线性尺寸标注方法相同;而管螺纹

尺寸标注之螺纹的正确标注方式

尺寸标注之螺纹标注的正确方式

随机推荐

永远的乱世佳人费雯丽美得风华绝代为何最终成为疯女人

沈梦辰

因为,在很多人眼中钱枫如今的样子和曾经,真的是对比非常明显,差别

5d义耳取模和佩戴过程_小耳畸形_小耳畸形治疗方式 - 好大夫在线

正品burberry/巴宝莉羽绒服男装纯色冬新款连帽 保暖羽绒服外套男

抽烟

萌娃丸子妹表情包动图 太太太可爱了!

彩铅蛋黄酥