法治宣传进校园活动首次讲座在富平中学举行,标志着富平县"扫黑除恶

相关图片

富平中学德育教育新举措最新

富平县各中小学幼儿园第三轮核酸检测工作顺利完成

富平县实验中学-北门

陕西富平县富平中学航拍4k富平宣传片

富平县初中段2022年义务教育新课程标准理解与落实专题培训完美收官

随机推荐

弘生与刘德华合拍,河南加油,郑州加油,下个作品提供本素材

有无宋亚轩神图,求求了? - 知乎

男孩发型图片 男孩发型图片2023潮流帅气图

洪晃43岁遇到高中学历的第四任丈夫领养女儿当后妈过得咋样

刘敏涛最新大片曝光 身穿羽毛抹胸尽显温柔气质

赛博朋克眼镜赛博朋克风长方形太阳眼镜网红男女潮人蹦迪嘻哈欧美辣妹

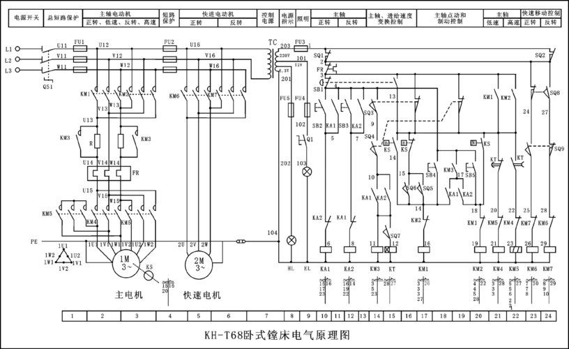
t68卧式镗床电气控制线路原理图

20夏季新款镂空透气凉鞋轻便坡跟妈妈鞋中年中老年休闲外穿女凉鞋