白亮

相关图片

all亮看图梗

王者荣耀 all亮3.

【亮统】

all亮or亮all

王者荣耀 all亮好吧这是2(不想换回….

随机推荐

三星堆出土的玉琮 ,非个例! - 全民收藏网

【超可爱哦】二次元,动漫,萌图,q版,我今天找了一天哦,将近一千张哦

白敬亭1015生日快乐#91#白敬亭桑延# 【@白敬亭30岁生日应援

刘恺威和杨幂在结婚之前,他们曾经有过一段婚姻,因为性格不合而离婚.

黄明昊格纹上衣帅气写真图片

男生帅气飞机头彰显了男性既萌又man的一面

五年级七班国学经典诵读之手抄报

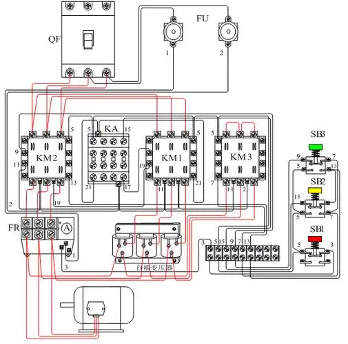
鼠笼式电动机自耦降压启动手动控制电路_电工基础知识_电工技术-电工