书法写王字怎么写好看

相关图片

王的行书

王头像霸气十足图片 霸气头像图片大全 -【爱个性】

行书王字

王字手写画手写字和

王字个性头像图片 个性头像图片大全 -【爱个性】

随机推荐

邓伦爱豆张韶涵

肖战三宫格壁纸

黄明昊晒伤雀斑妆

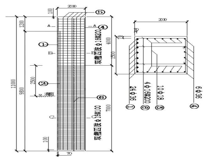
抗滑桩结构图.ppt

细跟尖头亮片布花朵蕾丝网状单鞋走秀粉色大码高跟鞋41一43婚纱鞋

les miserables 10th anniversary concert 音乐剧《悲惨世界》十周年

p站美图推荐——巨型少女特辑

看完这些图片,你们可能会觉得低估了【严宽】年轻时候的颜值!