刘宇空降成都##咪咕在现场##刘宇红衣造型现身成都

相关图片

gq明星工作室出图##刘宇红衣古风扮相

刘宇gq造型里的非遗元素##刘宇红衣古风扮相

刘宇宁新年红大衣

gq明星工作室出图##刘宇红衣古风扮相

【刘宇】#gq路透#刘宇gq盛典出图,撑伞红衣少年,好红好期待@刘宇yu

随机推荐

2022年最新男生短头,男生的帅气时尚短发_发型造型_宝妈时尚生活网

中餐厅黄晓明惊呆我了搞怪gif动图_动态图_表情包下载_soogif

火影忍者卡卡西#火影忍者 卡卡西最帅不接 - 抖音

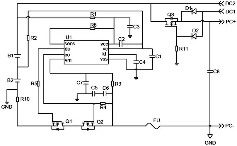
一种锂离子电池电路

最棒儿童节火遍全球的小马宝莉彩虹蛋糕微波炉就能做

快乐酷宝

王海滨的相册-王海滨导演工作照

漫画#太太笔下的这组小哥帅炸了,特别是寸头twi:llexmatte