电饭煲的电路图大全

相关图片

美的电饭煲电路板ebfch48a7还找到类似电路图了

浩特牌自动电饭锅实绘电路与原理简析

美的mb-tc50a电脑式电饭煲控制电路图

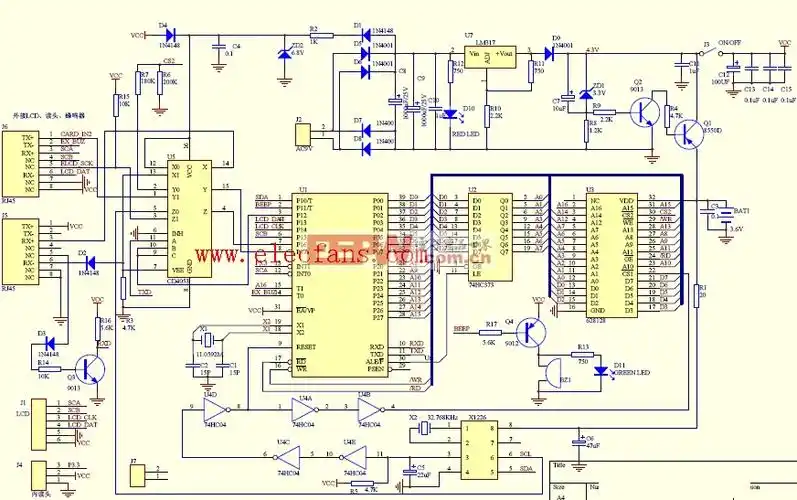
美的电饭锅煲电路图

我是多年修家电的,这个电饭锅电路图我真的没看懂

随机推荐

在这个忽冷忽热的春季,高圆圆身着一件长款的墨绿色风衣,搭配牛仔裤

明星过夜费价目表

近期,金星因为关于女明星穿着性感时该不该捂胸的评论而引发了轩然

那卜水库捕鱼记

动漫蓝色驱魔师蓝色火焰中的帅气卡通男生高清图片桌面壁纸下载

今年最流行的4款短发,太适合春天了!

《山河令》情头_情侣头像_山河令_素材_头像

向华强还在《五亿探长雷洛传之父子情仇》里饰演了另一位总华探长蓝刚