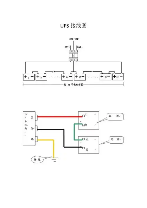
ups电池组接线图

相关图片

山特ups电源c10ks电池组怎么安装

3.如果有电池盒,将电池串起来,并根据需要连接到主机.4.对于大型vaups

不间断电源蓄电池接线图 apcups电源

ups接线图与维修说明

ups系统安装主要是蓄电池之间连接,蓄电池与ups主机之间的连接.

随机推荐

迪丽热巴|女神就是美

美式圆寸,寸头, 对于男生来讲,一辈子一定要剪一次寸头,你会发现不一

24k超清蓝光壁纸星空,24k超清蓝光壁纸竖屏_大山谷图库

高端品牌发布会|空间|舞台美术|weibang设计 - 原创作品 - 站酷

黄明昊超话越过荆棘,必有繁花,少年如星般灿烂,亦如风般自由.

素描练习#画画 #身高190 #腹肌 #10后 #纯情男高 - 抖音

李小璐留宿风波完全不放在心上,还玩起各种自拍!_工作_贾乃亮_本人

贾玲时尚资源爆棚路演全身高奢和prada高绑定各大代言预定