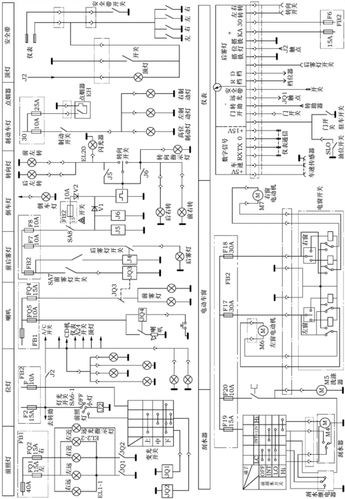
电动车线路图

相关图片

电动车电路图_第1页

电动车电路图

电动车电瓶怎么接线正负极那个接电机?_360问答

电动车控制器线路图 1.电动车控制器接线图

电动车原理图

随机推荐

亲爱的热爱的杨紫李现cut插曲牛奶面包

王俊凯# #tfboys王俊凯# #tfboys# 饭绘图 cr:一路向北n

67#搭配 #时尚 #身材 #肌肉线条 #vogue #王嘉尔

图桠格一首草原歌曲《一曲相送》热情奔放的歌声,悦耳动听_哔哩哔哩

双子座男生喜欢你时是什么样子的?

vol 210 精选无水印高清手机壁纸

军人敬礼免抠图

张睿0407生日快乐