滑差电动机自动调速系统电路图

相关图片

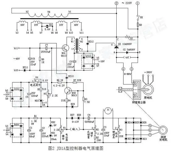
电磁滑差电动机调速器_接线图分享

电机- 优质问答专区

yct系列电磁调速电机滑差电机纯铜线国标调速三相异步电动机马达

这是你要的单相双值电动机内部接线的两种接线图,希望对你有帮助

印刷设备电磁调速异步电动机滑差电机

随机推荐

分步骤人物肖像绘画

简约个性小众壁纸锁屏#简约.简约个性小众壁纸锁屏#简约 #手 - 抖音

玉女掌门人×周慧敏|这就是初恋的感觉啊

毛不易消愁吉他谱吉他弹唱视频演示教程g调指法版

2024年重庆马拉松在重庆市南岸区南滨路海棠烟雨公园鸣枪起跑

有压力的女人拿着笔记本电脑工作中压力很大的人. 男人抓住了他的头.

凯迪拉克 celestiq落地或超300万

最新高清深圳地铁路线图