79张电气控制原理图学电气的你快来收藏

相关图片

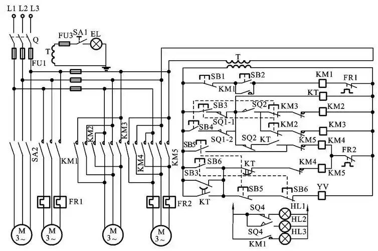
图2-3所示为z3040摇臂钻床的电气控制原理图.2.3.

消防泵控制电气原理图

电气自动化-常见的电气控制原理图

c5116a立式车床电气控制图 第1页 你可能喜欢 数控车床电气原理图

电气控制原理图

随机推荐

时尚的大胡子的男人街头留影

此次大赛总共吸引了来自全国20多个城市的选手,共140余名顶尖厨师参赛

手残党也会的编发教程.温柔公主气息感满满!

当新中式遇到简约风宁静素雅化繁为简

恶之花李准基

失望头像 失望头像

阴阳师sp彼岸花实战攻略收割能力极强无头骑士的救星

这是吴世勋在小学六年级的时候,在大街上被人抓拍下来的照片.