采用555时基全自动快速充电电路设计

相关图片

蓄电池充满自停电路图

简易12v充满自停电路图(六款充满自停电路分析)

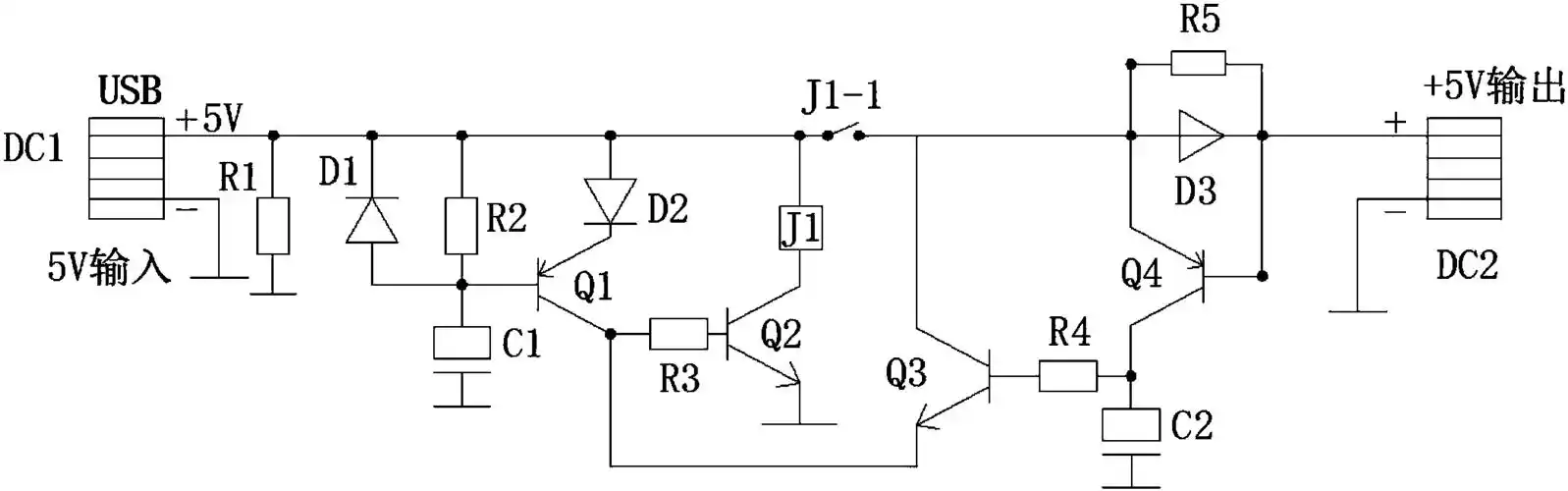
一种充满电自动断电的手机usb充电线电路

南孚环高万用自停充电器电路图工作原理和参数调整

3v,用三极管,二极管等,要求能充满自动停止充电

随机推荐

tfboys王源笑容甜美乖巧可爱tfboys图片王源图片

罗岗香雪赏红,白梅花

张九龄王九龙杨九郎张九南高九成果然是头九出征寸草不生啊杨九郎的

chanyeol 朴灿烈 cr:le_asmaa

活动作品易烊千玺张子枫千枫甜向混剪

创造营2021米卡 - 堆糖,美图壁纸兴趣社区

i水草十字牛顿捆鱼缸p水草宫廷草中景水下造景水草水族箱造景2022

心里默念亲生的