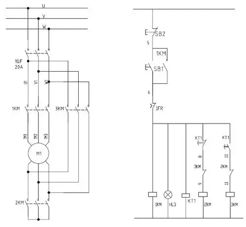
三相异步电动机y– △降压起动控制电路

相关图片

设计三台y型电动机的控制电路,要求启动时三台电动机同时启动停机时

电机38o伏丫接线怎么接

电机启动接线图,实物_大山谷图库

三相异步电动机y,△星三角接法

设计三相异步电动机的长车y—△启动电路,并带有y接点动功能.

随机推荐

元宵节美味的汤圆高清电脑桌面壁纸图片素材下载第二辑

中国内地女演员张延

铁汉柔情孙红雷带字个性孙红雷举枪指头孙红雷头像穿囚衣伤感霸气

假发女短发蓬松自然全头套式杨紫同款波波头网红中长发圆脸锁骨发

人人认识的刘芸,却遭遇两次辟腿,嫁大18岁郑钧,一家三口好幸福_黄晓明

幼儿园简笔画线条画

寂寞沮丧qq头像男生伤感孤独

属狗的女人和属虎的男人婚姻配吗?