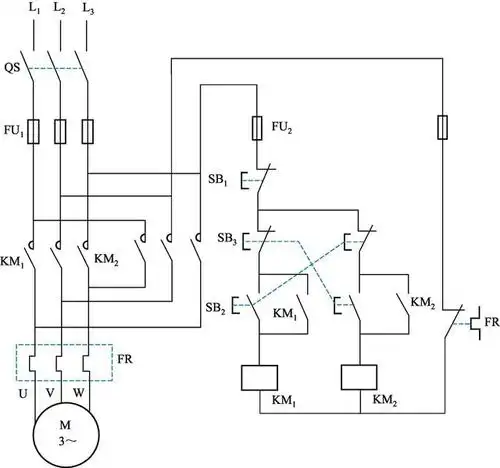
实例分析,如何看懂电气基本控制电路图

相关图片

实例分析,如何看懂电气基本控制电路图

尚朋堂mi-t10型电磁炉电路图

电路图看不懂?

晶体二极管-电容十倍升压电路图

基本同相运算放大器电路图

随机推荐

孙怡 高跟凉鞋美腿

精选二次元动漫电脑桌面壁纸

#手工字母卡片 #英文字母卡片附上教程:网上搜索下适合的图 - 抖音

土豆片图片

穿衣品味越来越高,古装原来更有魅力_汉服_杨颖_色彩

唯美的海景风光手机壁纸

华为畅享9plus6gb128g大储存4000毫安大电池