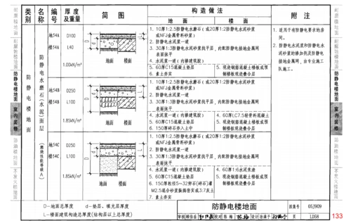
05j909《工程做法》(第五卷_共十卷)

相关图片

求图集05j909ld16地13c邮箱3067263368qqcom

05j909

05j909工程做法图集高清版

超高清05j909:工程做法图集,涵盖室内室外等众多工程,速速领取

05j909:工程做法

随机推荐

赵丽颖知否剧照,大家觉得丽颖的演技能打几分呢?

创意装饰画 作者姓名: 刘子翔 作者年龄:7岁 作品类别: 综合材料 奖

情侣头像么么哒

手绘教程,这样画小萝莉也太简单了吧,适合新手哦,一起来画画吧_哔哩

吃货哈咪猫可爱卡通手机壁纸图片

春夏秋i季男士长袖衬衫修身型商务纯色衬衣韩版大码青年衬衫休闲

加利福尼亚圣地亚哥面积广超豪华庄园别墅

揭秘脸起皮是怎么回事 快速了解有效预防脱皮