别墅手绘水景平面图.jpg

相关图片

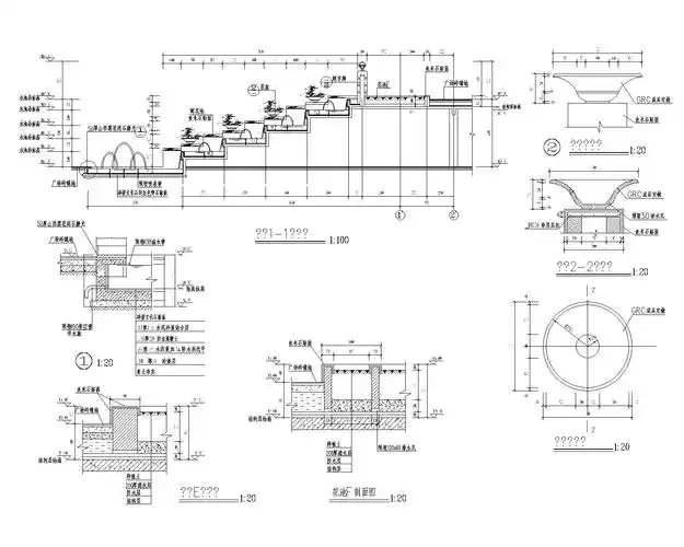
水景专类园设计疯狂水作业

92 | 园林景观镜面水景施工图#景观设计 - 抖音

某地游泳池水景池工艺设计平面图系统图

江南园林水景设计(江南园林设计平面图)江南园林水景设计

精选水景喷泉施工图(25套)

随机推荐

王俊凯蓝色衬衫帅气写真

牵手

王一博魏若来##王一博##亳州高新万达广场##逛万达

小鬼王琳凯 小姐姐的花店 - 堆糖,美图壁纸兴趣社区

原创谁说碎盖发型不烫不好看这六款碎盖发型不用烫也很帅气

加菲猫和蓝猫混合儿

李一桐这组照片火了 没想到大家的眼睛观察的如此细致入微 连脚都观察

金色防水台超高跟鞋女2022夏季新款露趾水钻粗跟凉鞋礼服宴会女鞋