三相三线经电压,电流接线图

相关图片

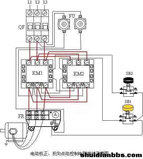
三相交流接触器具体连接方法

三相三线制

三相相序保护器123线能接在接触器下触点吗?怎么接?

三相交流电的两种接线方式: 三相电在电源端和负载端均有星形和三角

三相三线 三相四线电能表如何接线?以威胜dtsy341三相

随机推荐

清平乐之海桐~七里香~第一朵花_哔哩哔哩 (゜-゜)つロ 干杯~-bilibili

毛晓彤身穿星空蓝钻抹胸太飒性感迷人又纯又欲被赞人美智商高

刘亦菲古装照

海边氛围感ins风侧面女生头像

fashion stairs玻璃扶手 岩板踏步楼梯悬浮式的方块叠加,具有结构感

难忘的英格丽褒曼一生中她是坚毅的

六边形科技ppt背景图片 - 金融ppt模板 - 浩扬ppt模板城

宇宙到底有多大看完这些你也许就懂了