新款外套秋装女款棉质上衣加厚休闲拼接女装薄棉服女

相关图片

这款韩版原形中长款秋季风衣外套女 u87577 堪称

时尚韩版中长款风衣外套女2024秋冬季新款名媛风气质

新款秋冬季外套女真是太洋气啦!这款加厚毛衣开衫外 - 抖音

余今品牌韩版宽松夹克外套女2020年春秋季新款女装休闲中长款小个子

棉质翻领长袖夹克短外套女2020秋季新款文艺纯色开衫休闲宽松上衣

随机推荐

【4人系列】全家福套餐

心动图与红色的心灰色的背景上的形状10eps

杨洋寸头在泳池边拍照,硬汉男子气概,男友力十足

法式烫发羊毛卷,适合头发细软,扁塌的女生,烫发图片,发型图片

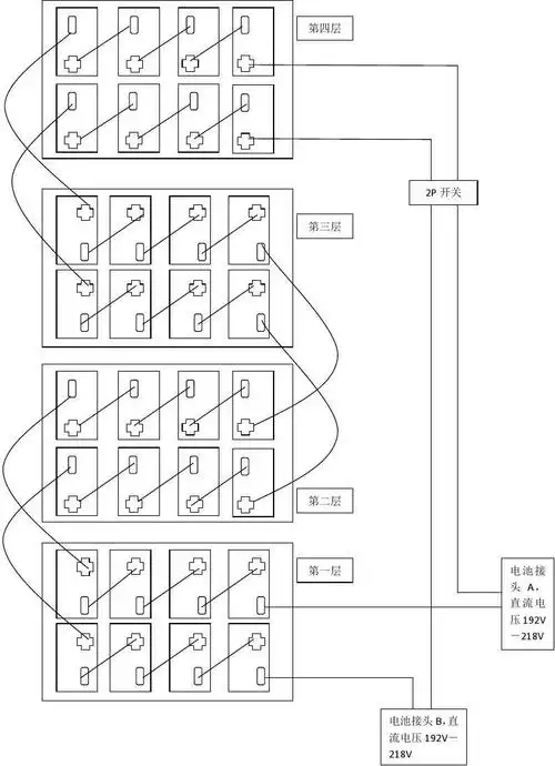
ups_a32电池箱内电池连接示意图_2组独立

演员郭俊辰.受访者供图

男生辫子发型14款男生脏辫发型

梦泡万圣节吊头酒吧鬼屋恐怖装饰道具密室整蛊断头恶搞人头挂件吊鬼