5%的要求,ups 设备配置及供电系统见下表4 及图2

相关图片

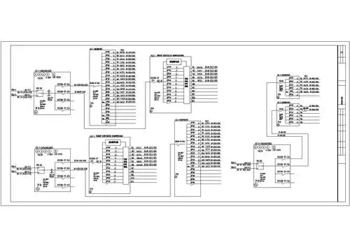
这个ups电路系统图设计的合适吗

机房ups功率确定

单相电力在线式不间断ups电源系统

山特ups三进三出 33-15ks 高频精密主机

ups系统单线图  产品展示

随机推荐

图唐嫣整容前的照片被扒出前后差别大的吓人

小清新,唯美,治愈系小雏菊手机壁纸,分享给你,希望你能喜欢

"情商堪忧"陈建斌:吐槽蒋欣化妆显老,质疑孙俪致其欲罢演甄嬛?

万梓良妻子仍有空姐的气质身材挺拔又纤细穿蕾丝礼裙有阔太样

[消息]范丞丞《快乐大本营》剧照公开 被犹抱琵琶半遮面的范pd帅哭了

纹身手稿.满背纹身素材

iphone前置无p素颜照求打分(被好多人说成熟,怎么.

新北汽勇士实车曝光车标换成骏马硬派不逊普拉多